Skip Navigation LinksHome > Connection Library > Shear Connection
Skip Navigation Links.
Collapse HomeHome
Steel Connection Design Manual
Everything About Licensing
Buy a License / How to Login
Change Login Name and Password
Quick Start - New User
CivilBay Engineering Services
Collapse Connection LibraryConnection Library
Collapse Concrete Anchorage DesignConcrete Anchorage Design
Collapse Sample CalculationSample Calculation
Collapse Moment ConnectionMoment Connection
Collapse Moment Connection-SeismicMoment Connection-Seismic
Collapse Shear ConnectionShear Connection
Collapse Vertical Brace ConnectionVertical Brace Connection
Collapse Vertical Brace - SeismicVertical Brace - Seismic
Collapse Horizontal Brace ConnectionHorizontal Brace Connection
Collapse Chevron Brace ConnectionChevron Brace Connection
Collapse Knee Brace ConnectionKnee Brace Connection
Collapse Base Plate Ver Brace ConnectionBase Plate Ver Brace Connection
Collapse Splice ConnectionSplice Connection

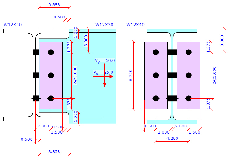
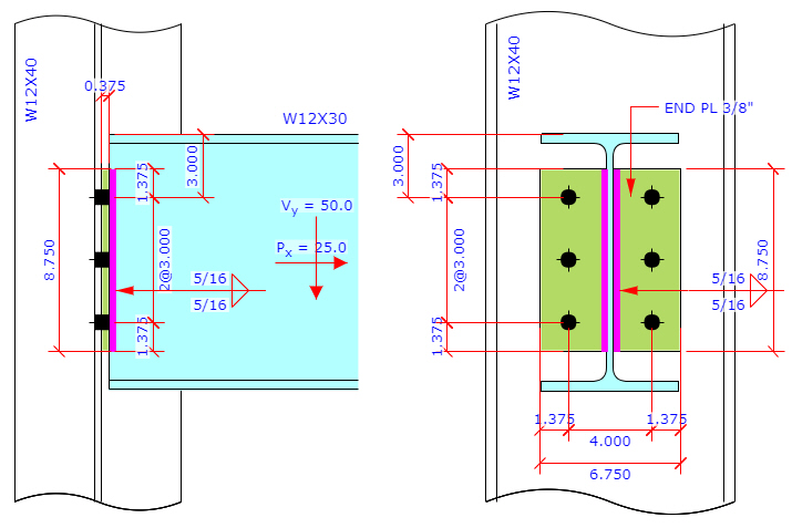
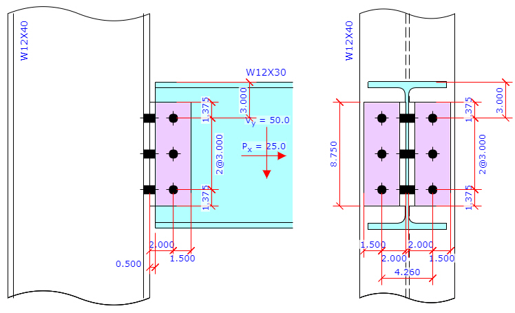
Shear Connection
This program provides 3 connection types for shear connection: End Plate, Clip Angle and Shear Tab.

Shear Connection -End Plate

 


 



Shear Connection -Clip Angle

 

 



Shear Connection -Shear Tab