Civil
Bay
Home
>
Connection Library
>
Moment Connection Type
Home
Steel Connection Design Manual
Everything About Licensing
Buy a License / How to Login
Change Login Name and Password
Quick Start - New User
CivilBay Engineering Services
Connection Library
Moment Connection Type
Moment Connection-Extended End Plate Type
Moment Connection - Tutorial
Shear Connection
Shear Connection - Tutorial
Brace Connection Type
Brace Hor Member Connection Type
Brace Hor Strut Connection Type
Ver Brace Connection - Tutorial
Hor Brace Connection - Tutorial
Splice Connection
Splice Connection Type
Splice Connection - Tutorial
Base Plate and Anchor Bolt Connection
Hollow Section Steel Connection
Slip Critical Bolt Connection and Slotted Bolt Hole
Concrete Anchorage Design
Conc Anchorage Design Manual
Base Plate Anchor Bolt Pattern
Anchor Bolt Design Seismic Provisions - ACI 318-19
Anchor Bolt Design Seismic Provisions - CSA A23.3-24
Anchor Bolt Design Seismic Provisions - CSA A23.3-19
Vertical Vessel Anchorage Design - Skirt Support and Leg Support
Sample Calculation
Moment Connection
MC-4 Bolt Extend End Plate
MC at Column Top - Column Siffener Plate
MC at Both Sides of Column - Column Siffener and Doubler Plate
MC-2 Bolts Top Flush End Plate
MC-12 Bolts Extend End Plate MRE 1/3-4W/2W
MC-Flange Plate to Column Flange
MC-Flange Plate to Column Web
Moment Connection-Seismic
OMF MC-4 Bolt 4E Extend End Plate
OMF MC-8 Bolt 8ES Extend End Plate
SMF BFP Bolted Flange Plate
Shear Connection
End Plate-Beam to Column Flange
End Plate-Beam to Column Web
End Plate-Beam to Girder
End Plate-Beam to Girder with Stiffened Coped Beam
Clip Angle-Beam to Column Flange
Clip Angle-Beam to Column Web
Clip Angle-Beam to Girder
Clip Angle-Beam to Girder with Stiffened Coped Beam
Shear Tab-Beam to Column Flange
Shear Tab-Beam to Column Web
Shear Tab-Beam to Girder
Shear Tab-Beam to Girder with Stiffened Coped Beam
Vertical Brace Connection
W Shape Brace to Column Web
W Shape Brace to Column Flange
Vertical Brace - Seismic
SCBF HSS Ver Brace
SCBF HSS Chevron Brace-Top
SCBF HSS Chevron Brace-Bottom
Horizontal Brace Connection
Horizontal Brace-End Plate
Horizontal Brace-Wrap Around Gusset Plate-Clip Angle
Horizontal Brace-Wrap Around Gusset Plate-Shear Tab
Chevron Brace Connection
Chevron Brace
Knee Brace Connection
Knee Brace
Base Plate Ver Brace Connection
Base Plate Ver Brace-Column Flange
Base Plate Ver Brace-Column Web
Splice Connection
Splice-Exterior Flange Plate
Splice-Exterior/Interior Flange Plate
Splice-Top & Bottom Extended End Plate
Splice-Top Flushed & Bottom Extended End Plate
Moment Connection Type
The followings are moment connection connection types
MC1
End Plate to Column Flange
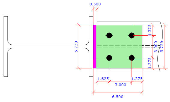
MC2
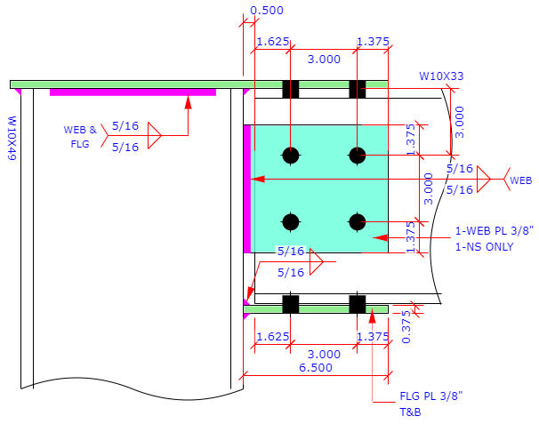
Flange Plate to
W Shape
Column
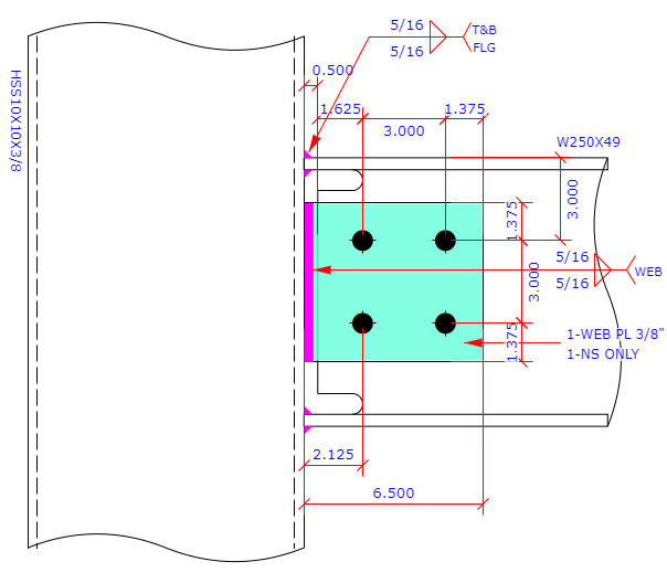
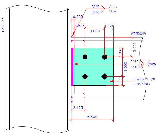
MC2
Flange Plate to
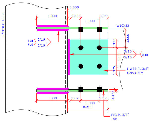
HSS
Column
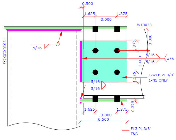
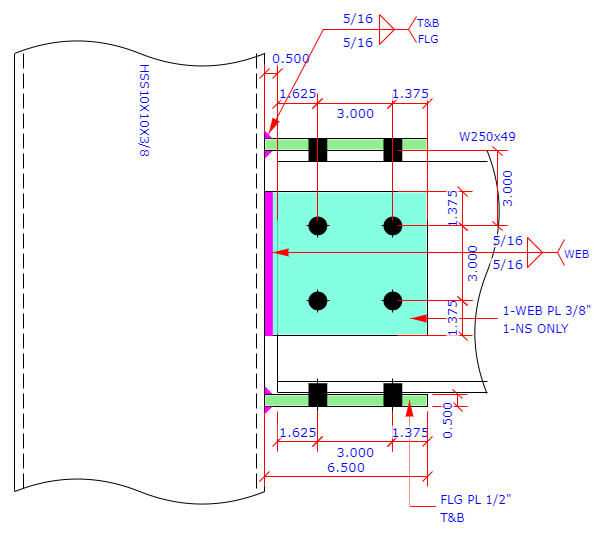
MC3
Flange Plate/Cap Plate to
W Shape
Column
MC3
Flange Plate/Cap Plate to
HSS
Column
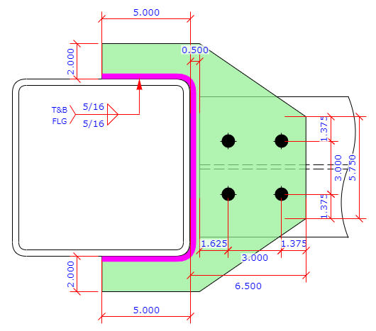
MC4
Cut-Out/Collared Plate to
HSS
Column MC
MC5
Direct Weld to
W Shape
Column Flange Only
MC5
Direct Weld to
HSS
Column-Flange Only
MC6
Direct Weld to
W Shape
Column-Flange & Web
MC6
Direct Weld to
HSS
Column-Flange & Web
MC7
Flange Plate to W Shape Column Web