Skip Navigation LinksHome > Connection Library > Moment Connection-Extended End Plate Type
Skip Navigation Links.
Collapse HomeHome
Steel Connection Design Manual
Everything About Licensing
Buy a License / How to Login
Change Login Name and Password
Quick Start - New User
CivilBay Engineering Services
Collapse Connection LibraryConnection Library
Collapse Concrete Anchorage DesignConcrete Anchorage Design
Collapse Sample CalculationSample Calculation
Collapse Moment ConnectionMoment Connection
Collapse Moment Connection-SeismicMoment Connection-Seismic
Collapse Shear ConnectionShear Connection
Collapse Vertical Brace ConnectionVertical Brace Connection
Collapse Vertical Brace - SeismicVertical Brace - Seismic
Collapse Horizontal Brace ConnectionHorizontal Brace Connection
Collapse Chevron Brace ConnectionChevron Brace Connection
Collapse Knee Brace ConnectionKnee Brace Connection
Collapse Base Plate Ver Brace ConnectionBase Plate Ver Brace Connection
Collapse Splice ConnectionSplice Connection

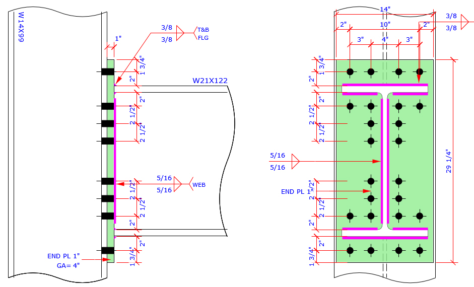
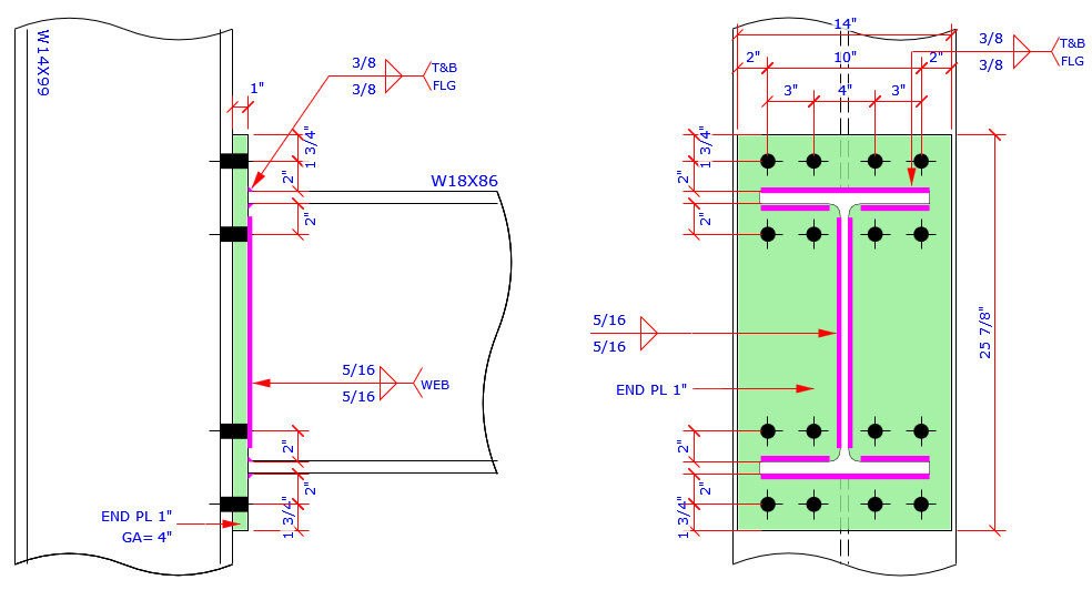
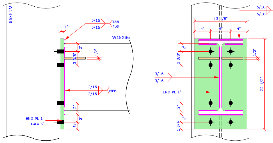
Moment Connection - Extended & Flushed End Plate Type


This program provides the most complete Extend End Plate and Flush End Plate bolt patterns MC connection which are more than those bolt patterns specified in AISC Design Guide 4 and 16


Extend End Plate MC Bolt Pattern


The MC bolt pattern naming is based on AISC Design Guide 4 and 16

4 Bolts 4E 4 Bolts 4ES
   
8 Bolts 8ES 8 Bolts 8E-4W
   
  8 Bolts 8ES-4W   6 bolts MRE 1/2
   
   
8 bolts MRE 1/3 8 bolts MRES 1/3
   
12 bolts MRE 1/3-4W/2W  
 


Flush End Plate MC Bolt Pattern


The MC bolt pattern naming is based on AISC Design Guide 4 and 16

2 Bolts 4 Bolts
   
4 Bolts Stiff Between 4 Bolts Stiff Outside
   
  6 Bolts 2W   6 Bolts 4W/2W
   
   
8 Bolts 2W