Civil
Bay
Home
>
Concrete
>
Concrete Anchorage
> Anchor Bolt / Anchor Stud Design Using ACI 318-11 / ACI 318-14 - Quick Input
Menu
Save Input
Load Input
Turn Side Menu Off
Turn Suggestion Off
Check License Status
About This Calc
View Help
ToolTip :
On
Off
Login
ANCHOR BOLT DESIGN
ACI 318-14 Code - Using Anchor Reinforcement
Result Summary
Anchor Rod Embedment, Spacing and Edge Distance
OK
Min Rquired Anchor Reinft. Development Length
ratio
=
0.87
OK
Overall
ratio
=
1.21
NG
Seismic Design
Tension
=
OK
Shear
=
OK
Code Reference
Select anchor bolt design code
ACI 318-11
ACI 318-14
Select design
using
or
not using
anchor reinforcement
Using Anchor Reinforcement
Not Using Anchor Reinforcement
Select design for
anchor bolt
or
anchor stud
Anchor Bolt
Anchor Stud
Concrete strength
f'
c
=
[ksi]
Error: the conc strength shall be 2~10 ksi
Anchor Bolt Data
Anchor bolt material
=
F1554 Grade 36
F1554 Grade 55
F1554 Grade 105
A307 Grade A
A307 Grade C
A36
A193 Grade B7 dia <=2.5
A193 Grade B7 dia >2.5
A320 Grade L7 dia <=2.5
A320 Grade L43 dia >2.5
A354 Grade BC
A354 Grade BD dia <=2.5
A354 Grade BD dia >2.5
A449 1/4< dia <=1
A449 1< dia <=1.5
A449 1.5< dia <=3
Stainless Steel 304 or 316
Stainless Steel 304L or 316L
Hastelloy C-276
Anchor tensile strength
f
uta
=
58.0
[ksi]
ACI 318-14
Anchor is ductile steel element
2.3 & 17.3.3 (a)
Anchor bolt diameter
d
a
=
1/4
3/8
1/2
5/8
3/4
7/8
1
1 1/8
1 1/4
1 3/8
1 1/2
1 3/4
2
2 1/4
2 1/2
2 3/4
3
4
[in]
Anchor bolt has sleeve
=
Yes
No
PIP STE05121
Anchor bolt head type
Square
Heavy Square
Hex
Heavy Hex
Hardened Washer SAE
Hardened Washer USS
Custom Head
Anchor effective cross section area
A
se
=
0.606
[in
2
]
Anchor bolt head bearing area
A
brg
=
[in
2
]
Anchor bolt 1/8" (3mm) corrosion allowance
=
Yes
No
Select anchor bolt pattern
Type A1 - Single Bolt
Type B1 - 2 Bolt Pin
Type B2 - 4 Bolt Pin
Type C1 - 4 Bolt
Type C2 - 6 Bolt
Type C3 - 8 Bolt
Type D1 - 6 Bolt
Type D2 - 8 Bolt
Type D3 - 9 Bolt
Type D4 - 10 Bolt
Type D5 - 12 Bolt
Type E1 - 8 Bolt
Type E2 - 10 Bolt
Type E3 - 12 Bolt
Type E4 - 12 Bolt
Type E5 - 16 Bolt
c
1
=5.00
s
1
=16.00
c
3
=5.00
c
2
=5.00
s
2
=16.00
c
4
=5.00
N
u
=-10.00
M
ux
=25.00
V
uy
=25.00
M
uy
=15.00
V
ux
=15.00
c
1
=5.00
s
1
=16.00
c
3
=5.00
c
2
=5.00
s
2
=16.00
c
4
=5.00
col d
x
=12.70
col d
y
=12.70
Anchor Bolt Forces
Factored tension or compression
N
u
=
[kips]
in compression
Anchor Bolt Forces in Y Axis Direction
Anchor Bolt Forces in X Axis Direction
Factored moment
M
ux
=
[kip-ft]
M
uy
=
[kip-ft]
M
ux
and M
uy
are concurrent
=
Yes
No
Factored shear force
V
uy
=
[kips]
V
ux
=
[kips]
Anchor Bolt Group Layout Dimensions
Anchor Bolt Exterior Bolt Line Spacing
PIP STE05121
Exterior bolt line spacing s
1
s
1
=
[in]
4.00
OK
Page A -1 Table 1
Exterior bolt line spacing s
2
s
2
=
[in]
4.00
OK
Anchor Bolt Edge Distance
PIP STE05121
Anchor bolt edge distance c
1
c
1
=
[in]
4.50
OK
Page A -1 Table 1
Anchor bolt edge distance c
2
c
2
=
[in]
4.50
OK
Anchor bolt edge distance c
3
c
3
=
[in]
4.50
OK
Anchor bolt edge distance c
4
c
4
=
[in]
4.50
OK
Column Depth
Column depth in X axis direction
d
x
=
[in]
Column depth in Y axis direction
d
y
=
[in]
PIP STE05121
Anchor bolt embedment depth
h
ef
=
[in]
12.00
OK
Page A -1 Table 1
Pedestal height
h
a
=
[in]
17.00
OK
Anchor Reinforcement Input
ACI 318-14
To be considered effective for resisting anchor tension, vertical reinforcing bars shall be located
R17.4.2.9
within 0.5h
ef
from the outmost anchor's centerline
Avg ver. bar center to anchor rod center distance
d
ar
=
[in]
No of ver. rebar effective to resist tensile anchors - M
ux
case
n-M
ux
=
No of ver. rebar effective to resist tensile anchors - M
uy
case
n-M
uy
=
Ver. rebar size No.
2
3
4
5
6
7
8
9
10
11
14
18
=
1.000
[in] dia
single rebar area A
s
=
0.790
[in
2
]
Ver. rebar top anchorage option
180 Degree Hook or Hairpin
Straight Bar
To be considered effective for resisting anchor shear, hor. reinft shall be located
R17.5.2.9
within min( 0.5c
1
, 0.3c
2
) from the outmost anchor's centerline
min (0.5c
1,
0.3c
2
)
=
1.50
[in]
No of tie layer that are effective to resist anchor shear
n
lay
=
1
2
3
No of tie leg that are effective to resist anchor shear V
ux
n
leg
-V
ux
=
No of tie leg that are effective to resist anchor shear V
uy
n
leg
-V
uy
=
Hor. tie rebar size No.
2
3
4
5
6
7
8
9
10
11
14
18
=
0.500
[in] dia
single rebar area A
s
=
0.200
[in
2
]
For anchor reinft shear breakout strength calc
100% hor. tie bars develop full yield strength
50% hor. tie bars develop full yield strength
Rebar yield strength - ver. rebar
f
y-v
=
[ksi]
Rebar yield strength - hor. rebar
f
y-h
=
[ksi]
Consider only half of total anchor bolt carrying shear due to oversize bolt hole
=
Yes
No
Provide built-up grout pad ?
=
Yes
No
17.5.1.3
Seismic Input
ACI 318-14
Seismic design category SDC >= C
=
Yes
No
17.2.3.1
Anchor bolt load E <= 0.2U
Tensile
=
Yes
No
Shear
=
Yes
No
17.2.3.4.1 & 17.2.3.5.1
Anchor bolt satisfies opion
Tensile
=
Option A
Option B
Option C
Option D
Shear
=
Option A
Option B
Option C
17.2.3.4.3 & 17.2.3.5.3
CONCLUSION
Result for Anchor Bolt Forces in Y Axis Direction
View Detail Calc
Anchor Rod Embedment, Spacing and Edge Distance
OK
ACI 318-14
Min Rquired Anchor Reinft. Development Length
ratio
=
0.87
OK
25.4.3.1
Overall
ratio
=
1.21
NG
Tension
Anchor Rod Tensile Resistance
ratio
=
0.31
OK
Anchor Reinft Tensile Breakout Resistance
ratio
=
0.15
OK
Anchor Pullout Resistance
ratio
=
0.25
OK
Side Blowout Resistance
ratio
=
0.27
OK
Shear
Anchor Rod Shear Resistance
ratio
=
1.14
NG
Anchor Reinft Shear Breakout Resistance
Strut Bearing Strength
ratio
=
0.45
OK
Tie Reinforcement
ratio
=
0.69
OK
Conc. Pryout Not Govern When h
ef
>= 12d
a
OK
Tension Shear Interaction
Tension Shear Interaction
ratio
=
1.21
NG
Seismic Design
ACI 318-14
Tension
Applicable
OK
17.2.3.4
Seismic SDC>=C and E>0.2U , Option D is selected to satisfy additional seismic requirements as per 17.2.3.4.3
Shear
Applicable
OK
17.2.3.5
Seismic SDC>=C and E>0.2U , Option C is selected to satisfy additional seismic requirements as per 17.2.3.5.3
Result for Anchor Bolt Forces in X Axis Direction
View Detail Calc
Anchor Rod Embedment, Spacing and Edge Distance
OK
ACI 318-14
Min Rquired Anchor Reinft. Development Length
ratio
=
0.87
OK
25.4.3.1
Overall
ratio
=
0.68
OK
Tension
Anchor Rod Tensile Resistance
ratio
=
0.15
OK
Anchor Reinft Tensile Breakout Resistance
ratio
=
0.07
OK
Anchor Pullout Resistance
ratio
=
0.12
OK
Side Blowout Resistance
ratio
=
0.13
OK
Shear
Anchor Rod Shear Resistance
ratio
=
0.68
OK
Anchor Reinft Shear Breakout Resistance
Strut Bearing Strength
ratio
=
0.27
OK
Tie Reinforcement
ratio
=
0.42
OK
Conc. Pryout Not Govern When h
ef
>= 12d
a
OK
Tension Shear Interaction
Tension Shear Interaction
ratio
=
0.00
OK
Seismic Design
ACI 318-14
Tension
Applicable
OK
17.2.3.4
Seismic SDC>=C and E>0.2U , Option D is selected to satisfy additional seismic requirements as per 17.2.3.4.3
Shear
Applicable
OK
17.2.3.5
Seismic SDC>=C and E>0.2U , Option C is selected to satisfy additional seismic requirements as per 17.2.3.5.3
Anchor Rod Corrosion Allowance
Anchor rod may have corrosion issue if it is exposed to exterior or extreme environmental conditions.
If Yes is selected, anchor rod effective area A
se
will be reduced by taking 1/8" (3mm) off from anchor rod diameter
Factored Tension / Compression
The axial force can be tension or compression.
N
u
> 0 denotes tension
N
u
<0 denotes compression
Anchor Bolt Embedment Depth
h
ef
- anchor bolt embedment depth
Pedestal Height
h or h
a
- pedestal height or concrete thickness
No of Hor Tie Layer n
lay
n
lay
= 1 ~ 3, user has the option of considering 1 ~ 3 layers of hor. rebar contributing to shear breakout resistance calculation.
n
leg
x n
lay
would be the total number of hor. rebar used in shear breakout resistance calculation.
Ver. Rebar Yield Strength
Rebar yield strength used in
vertical
anchor reinforcement calculation to resist concrete tensile breakout.
Hor. Rebar Yield Strength
Rebar yield strength used in
horizontal
anchor reinforcement calculation to resist concrete shear breakout.
Concrete Cracking
Concrete is cracked - anchors located in region of concrete where analysis indicates cracking at service load levels
Concrete is uncracked - anchors located in region of concrete where analysis indicates no cracking at service load levels
In ACI 318-14
17.4.2.6 concrete tensile breakout
uncracked
Y
c,N
= 1.25 cracked
Y
c,N
= 1.0
17.4.3.6 concrete tensile pullout
uncracked
Y
c,P
= 1.4 cracked
Y
c,P
= 1.0
17.5.2.7 concrete shear breakout
uncracked
Y
c,V
= 1.4 cracked
Y
c,V
= 1.0, 1.2 or 1.4 depending on supplementary reinforcement
The author suggests to select
Cracked
as concrete is cracked all the time.
Save My Inputs
Please key in your file name below.
File Name:
.txt
Load My Inputs
About This Spreadsheet
This spreadsheet is for anchor bolt / anchor stud design as per ACI 318-11 / ACI 318-14 code using Quick Input method.
The Quick Input method combines
anchor bolt
/
anchor stud
,
using anchor reinforcement
/
not using anchor reinforcement
design options in one interface and uses pre-defined anchor bolt pattern for input. It saves user's time on key in input.
Quick Input method allows users to switch between different anchor bolt patterns and design options quickly and get the design result immediately in one user interface. It also allows user to design anchor forces in 2 directions at the same time.
No license Issued for This Spreadsheet
You are a registered user but you didn't get a license for this spreadsheet. The reason may be
Your license has expired
You own license for other module but don't have license for this module
Your license has been checked out by other user on other PC
You are now using the spreadsheet on demo mode. You can click on this link
Buy Now
to puchase a license.
Trial Version Limitation
This field cannot be edited by trial version user.
To get all the features of this spreadsheet, you can go to this link
Buy Now
to puchase a license.
No of Bolt Along Outermost Bolt Line
This no of bolt will be used as n
T1
to calculate the anchor bolt tensile force caused by moment.
Internal Bolt Line Spacing s
b2
s
b2
is the internal bolt line spacing.
Ignore this input if it is
2 Bolt Line
or
3 Bolt Line
case.
This input will be calculated by program from s
b2
= s
1
- 2 x s
b1
Internal Bolt Line Spacing s
b1
s
b1
is the internal bolt line spacing.
Ignore this input if it is
2 Bolt Line
case.
Column Depth d
Column depth d
No of Bolt Carrying Tension n
t
This input will be calculated by
the program based on user's
other inputs.
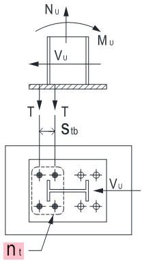
For an anchor bolt group carrying moment, only part of anchor bolts in the group mobilizes tensile force.
n
t
is the number of bolt in the
group which mobilizes tensile
force.
Single Bolt Tensile Force T
1
Single
bolt tensile force T
1
Single Bolt Tensile Force T
2
Single
bolt tensile force T
2
Single Bolt Tensile Force T
3
Single
bolt tensile force T
3
ToolTip
On
Off
Menu
Save Input
Load Input
View Result Summary
View Conclusion
Turn ToolTip Off
Turn Suggestion Off
Turn Side Menu Off
Check License Status
About This Calc
View Help