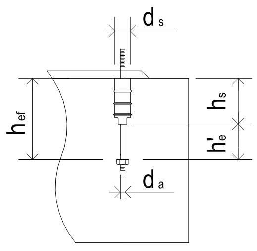
Anchor bolt sleeve diameter ds
and
Anchor bolt sleeve height hs
Sleeve shell dia (d
s) and height (h
s) are proposed as
per
PIP STE05121 Anchor Bolt Design Guide Table 1 as shown below.
The d
s and h
s are not used directly in the anchor bolt
capacity
calculation, but when sleeve is chosen it is used to calculate
the
min required anchor bolt embedment and edge distance shown
as
suggested values below
in
magenta color text.
If Anchor
bolt has sleeve -Yes is selected
1. Min. embedment hef is proposed as the
larger of 12da or ( hs + he' ) where he' =max( 6da , 6" )
2. Increase min. edge distance by 0.5(ds - da)
3. Increase min. bolt spacing by (ds - da)
|
 |