
Brace Axial Force Load Case 1
Right and left brace force
R Prt
= -35.00
[kips] (T)
L Plt
= 35.00
[kips] (C)
Beam end shear & transfer force
Shear Rb
= 25.00
[kips]
Transfer Ab
= 15.00
[kips]
Top Brace Interface Forces
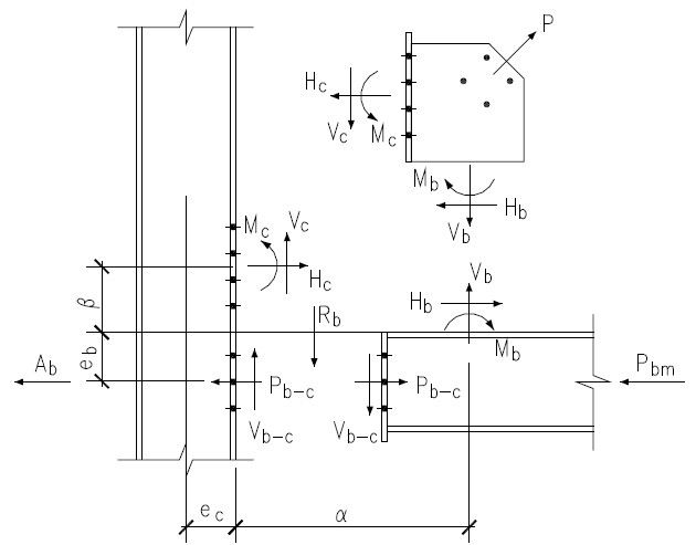
Refer to AISC 14th Page 13-4 and Fig. 13-2 for all charts and definitions of variables and symbols shown in calculation below
eb
= 0.168
[in]
ec
= 0.148
[in]
α
= 7.951
[in]
β
= 6.983
[in]
θ
= 45.0
[°]
K
= eb tanθ - ec
= 0.020
[in]
AISC 14th Eq. 13-16
D
= 2.297
AISC 14th Eq. 13-24
K'
= 17.005
AISC 14th Eq. 13-23
α
= [ K' tan
θ + K (
α/β
)
2 ] / D
= 7.003
[in]
AISC 14th Eq. 13-21
β
= ( K' - K tan θ ) / D
= 6.983
[in]
AISC 14th Eq. 13-22
r
= [ ( eb + β ) 2 + ( ec + α ) 2 ]0.5
= 10.112
[in]
AISC 14th Eq. 13-6
Brace axial force
Pu
= from user input
= -35.00
[kips]
in tension
Gusset to Girder Interface Forces
Shear force
Vc
= ( β / r ) Pu
= -24.17
[kips]
AISC 14th Eq. 13-2
Axial force
Hc
= ( ec / r ) Pu
= -0.51
[kips]
AISC 14th Eq. 13-3
Moment
Mc
= Hc ( β - β )
= 0.00
[kip-ft]
AISC 14th Eq. 13-19
Gusset to Beam Interface Forces
Shear force
Hb
= ( α / r ) Pu
= -24.24
[kips]
AISC 14th Eq. 13-5
Axial force
Vb
= ( eb / r ) Pu
= -0.58
[kips]
AISC 14th Eq. 13-4
Moment
Mb
= Vb ( α - α )
= 0.05
[kip-ft]
AISC 14th Eq. 13-17
Bottom Brace Interface Forces
Refer to AISC 14th Page 13-4 and Fig. 13-2 for all charts and definitions of variables and symbols shown in calculation below
eb
= 0.168
[in]
ec
= 0.148
[in]
α
= 7.774
[in]
β
= 6.983
[in]
θ
= 45.0
[°]
K
= eb tanθ - ec
= 0.020
[in]
AISC 14th Eq. 13-16
D
= 2.240
AISC 14th Eq. 13-24
K'
= 16.429
AISC 14th Eq. 13-23
α
= [ K' tan
θ + K (
α/β
)
2 ] / D
= 7.003
[in]
AISC 14th Eq. 13-21
β
= ( K' - K tan θ ) / D
= 6.983
[in]
AISC 14th Eq. 13-22
r
= [ ( eb + β ) 2 + ( ec + α ) 2 ]0.5
= 10.112
[in]
AISC 14th Eq. 13-6
Brace axial force
Pu
= from user input
= 35.00
[kips]
in compression
Gusset to Girder Interface Forces
Shear force
Vc
= ( β / r ) Pu
= 24.17
[kips]
AISC 14th Eq. 13-2
Axial force
Hc
= ( ec / r ) Pu
= 0.51
[kips]
AISC 14th Eq. 13-3
Moment
Mc
= Hc ( β - β )
= 0.00
[kip-ft]
AISC 14th Eq. 13-19
Gusset to Beam Interface Forces
Shear force
Hb
= ( α / r ) Pu
= 24.24
[kips]
AISC 14th Eq. 13-5
Axial force
Vb
= ( eb / r ) Pu
= 0.58
[kips]
AISC 14th Eq. 13-4
Moment
Mb
= Vb ( α - α )
= -0.04
[kip-ft]
AISC 14th Eq. 13-17
Beam to Girder Interface Forces
Beam to Girder Interface Shear Force
Beam end shear reaction
Rb
= from user input
= 25.00
[kips]
Top brace gusset-beam axial force
Vb-top
=
= -0.58
[kips]
AISC 14th Eq. 13-4
Bot brace gusset-beam axial force
Vb-bot
=
= 0.58
[kips]
AISC 14th Eq. 13-4
Beam to girder shear force
Vb-c
= Rb + Vb-top - Vb-bot
= 23.84
[kips]
AISC 14th Page 13-4
Beam to Girder Interface Axial Force
Top brace gusset-girder axial force
Hc-top
=
= -0.51
[kips]
AISC 14th Eq. 13-3
Bot brace gusset-girder axial force
Hc-bot
=
= 0.51
[kips]
AISC 14th Eq. 13-3
Transfer force from adjacent bay
Ab
= from user input
= 15.00
[kips]
Beam to girder axial force
Pb-c
= ( Hc-top + Hc-bot ) x -1 - Ab
= -15.00
[kips]
AISC 14th Page 13-4
Beam Member Axial Force
This force is not for use in connection calc. It's output here for user input connection forces equilibrium check only.
Pbm - Beam member axial force is different from Pb-c - Beam to girder interface axial force as shown above.
Pbm - Beam member axial force
is from structural analysis output and cannot be used directly in beam
end to girder connection design as this force is interrupted by brace
gusset to beam interface force before beam end reaching the girder. This
force is actually not needed from user's input for beam end to girder
connection design.
Pb-c - Beam to girder interface axial force
is calculated from user's input of brace axial forces and trasnfer
force using uniform force method. This force is used in the beam end to
girder connection design.
Pbm - Beam member axial force
is not needed for the beam end to girder connection design and is
calculated here for verification purpose only. If it matches the
structural analysis output, that means equilibrium is reached and user's
input of brace axial forces and trasnfer force are correct.
Top brace axial force
Pt
= from user input
= -35.00
[kips]
in tension
Top brace to ver line angle
θt
= from user input
= 45.0
[°]
Top brace gusset-girder axial force
Hct
= from calc shown above
= -0.51
[kips]
AISC 14th Eq. 13-3
Bot brace axial force
Pb
= from user input
= 35.00
[kips]
in compression
Bot brace to ver line angle
θb
= from user input
= 45.0
[°]
Bot brace gusset-girder axial force
Hcb
= from calc shown above
= 0.51
[kips]
AISC 14th Eq. 13-3
Beam to girder interface axial force
Pb-c
= from calc shown above
= -15.00
[kips]
AISC 14th Page 13-4
Beam member axial force
Pbm
= (Hct - Pt sinθt ) + (Hcb - Pb sinθb )
= -15.00
[kips]
in tension
+ Pb-c
Brace Axial Force Load Case 2
Right and left brace force
R Prt
= 35.00
[kips] (C)
L Plt
= -35.00
[kips] (T)
Beam end shear & transfer force
Shear Rb
= 25.00
[kips]
Transfer Ab
= 15.00
[kips]
Top Brace Interface Forces
Refer to AISC 14th Page 13-4 and Fig. 13-2 for all charts and definitions of variables and symbols shown in calculation below
eb
= 0.168
[in]
ec
= 0.148
[in]
α
= 7.951
[in]
β
= 6.983
[in]
θ
= 45.0
[°]
K
= eb tanθ - ec
= 0.020
[in]
AISC 14th Eq. 13-16
D
= 2.297
AISC 14th Eq. 13-24
K'
= 17.005
AISC 14th Eq. 13-23
α
= [ K' tan
θ + K (
α/β
)
2 ] / D
= 7.003
[in]
AISC 14th Eq. 13-21
β
= ( K' - K tan θ ) / D
= 6.983
[in]
AISC 14th Eq. 13-22
r
= [ ( eb + β ) 2 + ( ec + α ) 2 ]0.5
= 10.112
[in]
AISC 14th Eq. 13-6
Brace axial force
Pu
= from user input
= 35.00
[kips]
in compression
Gusset to Girder Interface Forces
Shear force
Vc
= ( β / r ) Pu
= 24.17
[kips]
AISC 14th Eq. 13-2
Axial force
Hc
= ( ec / r ) Pu
= 0.51
[kips]
AISC 14th Eq. 13-3
Moment
Mc
= Hc ( β - β )
= 0.00
[kip-ft]
AISC 14th Eq. 13-19
Gusset to Beam Interface Forces
Shear force
Hb
= ( α / r ) Pu
= 24.24
[kips]
AISC 14th Eq. 13-5
Axial force
Vb
= ( eb / r ) Pu
= 0.58
[kips]
AISC 14th Eq. 13-4
Moment
Mb
= Vb ( α - α )
= -0.05
[kip-ft]
AISC 14th Eq. 13-17
Bottom Brace Interface Forces
Refer to AISC 14th Page 13-4 and Fig. 13-2 for all charts and definitions of variables and symbols shown in calculation below
eb
= 0.168
[in]
ec
= 0.148
[in]
α
= 7.774
[in]
β
= 6.983
[in]
θ
= 45.0
[°]
K
= eb tanθ - ec
= 0.020
[in]
AISC 14th Eq. 13-16
D
= 2.240
AISC 14th Eq. 13-24
K'
= 16.429
AISC 14th Eq. 13-23
α
= [ K' tan
θ + K (
α/β
)
2 ] / D
= 7.003
[in]
AISC 14th Eq. 13-21
β
= ( K' - K tan θ ) / D
= 6.983
[in]
AISC 14th Eq. 13-22
r
= [ ( eb + β ) 2 + ( ec + α ) 2 ]0.5
= 10.112
[in]
AISC 14th Eq. 13-6
Brace axial force
Pu
= from user input
= -35.00
[kips]
in tension
Gusset to Girder Interface Forces
Shear force
Vc
= ( β / r ) Pu
= -24.17
[kips]
AISC 14th Eq. 13-2
Axial force
Hc
= ( ec / r ) Pu
= -0.51
[kips]
AISC 14th Eq. 13-3
Moment
Mc
= Hc ( β - β )
= 0.00
[kip-ft]
AISC 14th Eq. 13-19
Gusset to Beam Interface Forces
Shear force
Hb
= ( α / r ) Pu
= -24.24
[kips]
AISC 14th Eq. 13-5
Axial force
Vb
= ( eb / r ) Pu
= -0.58
[kips]
AISC 14th Eq. 13-4
Moment
Mb
= Vb ( α - α )
= 0.04
[kip-ft]
AISC 14th Eq. 13-17
Beam to Girder Interface Forces
Beam to Girder Interface Shear Force
Beam end shear reaction
Rb
= from user input
= 25.00
[kips]
Top brace gusset-beam axial force
Vb-top
=
= 0.58
[kips]
AISC 14th Eq. 13-4
Bot brace gusset-beam axial force
Vb-bot
=
= -0.58
[kips]
AISC 14th Eq. 13-4
Beam to girder shear force
Vb-c
= Rb + Vb-top - Vb-bot
= 26.16
[kips]
AISC 14th Page 13-4
Beam to Girder Interface Axial Force
Top brace gusset-girder axial force
Hc-top
=
= 0.51
[kips]
AISC 14th Eq. 13-3
Bot brace gusset-girder axial force
Hc-bot
=
= -0.51
[kips]
AISC 14th Eq. 13-3
Transfer force from adjacent bay
Ab
= from user input
= 15.00
[kips]
Beam to girder axial force
Pb-c
= ( Hc-top + Hc-bot ) x -1 - Ab
= -15.00
[kips]
AISC 14th Page 13-4
Beam Member Axial Force
This force is not for use in connection calc. It's output here for user input connection forces equilibrium check only.
Pbm - Beam member axial force is different from Pb-c - Beam to girder interface axial force as shown above.
Pbm - Beam member axial force
is from structural analysis output and cannot be used directly in beam
end to girder connection design as this force is interrupted by brace
gusset to beam interface force before beam end reaching the girder. This
force is actually not needed from user's input for beam end to girder
connection design.
Pb-c - Beam to girder interface axial force
is calculated from user's input of brace axial forces and trasnfer
force using uniform force method. This force is used in the beam end to
girder connection design.
Pbm - Beam member axial force
is not needed for the beam end to girder connection design and is
calculated here for verification purpose only. If it matches the
structural analysis output, that means equilibrium is reached and user's
input of brace axial forces and trasnfer force are correct.
Top brace axial force
Pt
= from user input
= 35.00
[kips]
in compression
Top brace to ver line angle
θt
= from user input
= 45.0
[°]
Top brace gusset-girder axial force
Hct
= from calc shown above
= 0.51
[kips]
AISC 14th Eq. 13-3
Bot brace axial force
Pb
= from user input
= -35.00
[kips]
in tension
Bot brace to ver line angle
θb
= from user input
= 45.0
[°]
Bot brace gusset-girder axial force
Hcb
= from calc shown above
= -0.51
[kips]
AISC 14th Eq. 13-3
Beam to girder interface axial force
Pb-c
= from calc shown above
= -15.00
[kips]
AISC 14th Page 13-4
Beam member axial force
Pbm
= (Hct - Pt sinθt ) + (Hcb - Pb sinθb )
= -15.00
[kips]
in tension
+ Pb-c