
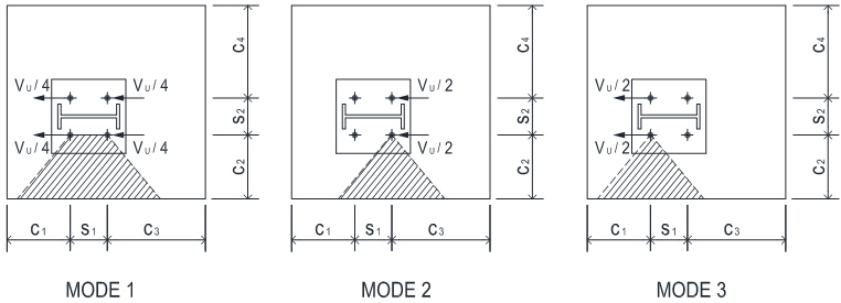
The case of shear parallel to an edge is shown in ACI 318-19 Fig. R17.7.2.1c.
The maximum shear that can be applied parallel to the edge, V||, as governed
by concrete breakout, is twice the maximum shear that can be applied
perpendicular to the edge, V⊥.
Anchor edge distance
c1
= 19.125
[in]
c2
= 9.500
[in]
c3
= 10.321
[in]
c4
= 9.500
[in]
Anchor out-out spacing
s1
= 14.500
[in]
s2
= 14.500
[in]
ACI 318-19 Fig. R17.7.2.1c
shear force parallel to an edge
Mode 1 Shear taken evenly by all anchor bolts, strength check against 0.5 x Vu
Anchor edge distance
ca1
= min( c2 , c4 )
= 9.500
[in]
Limiting ca1 when anchors are influenced by 3 or more edges
= No
ACI 318-19 17.7.2.1.2
Anchor edge distance - adjusted
ca1
= ca1 needs NOT to be adjusted
= 9.500
[in]
c1
= 19.125
[in]
c3
= 10.321
[in]
s1
= 14.500
[in]
1.5ca1
= 14.250
[in]
AVc1
= [min(c1 ,1.5ca1 )+s1+min(c3 ,1.5ca1)]x
= 556.76
[in2]
ACI 318-19
Fig. R17.7.2.1b
min(1.5ca1 , ha )
Projected area of single anchor failure surface
AVco
= 4.5 c2a1
= 406.13
[in2]
ACI 318-19 17.7.2.1.3
No of front anchors resisting shear
nbd
=
= 2
Projected area of anchor group failure surface
AVc
= min( AVc1 , nbd AVco )
= 556.76
[in2]
ACI 318-19 17.7.2.1.1
Anchor embedment & diameter
hef
= 60.000
[in]
da
= 2.000
[in]
Load-bearing length of anchor for shear
le
= min( 8da , hef )
= 16.000
[in]
ACI 318-19 17.7.2.2.1
Anchor edge distance & diameter
ca1
= 9.500
[in]
da
= 2.000
[in]
Conc strength & lightweight factor
fc
= 4.0
[ksi]
λ
= 1.0
Vb1
= 7(
le/da
)
0.2√da λ √fc c
1.5a1 = 27.79
[kips]
ACI 318-19 17.7.2.2.1a
Vb2
= 9 λ √fc c1.5a1
= 16.67
[kips]
ACI 318-19 17.7.2.2.1b
Single anchor shear breakout strength
Vb
= min( Vb1 , Vb2 )
= 16.67
[kips]
ACI 318-19 17.7.2.2.1
Eccentricity modification factor
Ψec,V
= shear acts through center of group
= 1.00
ACI 318-19 17.7.2.3.1
Edge modification factor
Ψed,V
= 1.0 for shear parallel to an edge case
= 1.000
ACI 318-19
Fig. R17.7.2.1b Case 2
Conc cracking modification factor
Ψc,V
=
= 1.20
ACI 318-19 17.7.2.5.1
Anchor edge distance & conc thickness
ca1
= 9.500
[in]
ha
= 216.000
[in]
Conc breakout thickness factor
Ψh,V
= 1.00
ACI 318-19 17.7.2.6.1
For
Mode 1 V
cbg-p1 is supposed to check against 0.5V
u , in terms of utilization ratio
0.5Vu/Vcbg-p1
=
Vu/2Vcbg-p1
Strength reduction factor
φvc
= 0.75
supplementary reinft present
ACI 318-19 17.5.3(b)
Concrete breakout resistance
Vcbg-p1
= 2x
φvc AVc/AVco
Ψec,V Ψed,V Ψc,V Ψh,V V
b = 41.13
[kips]
ACI 318-19 17.7.2.1b
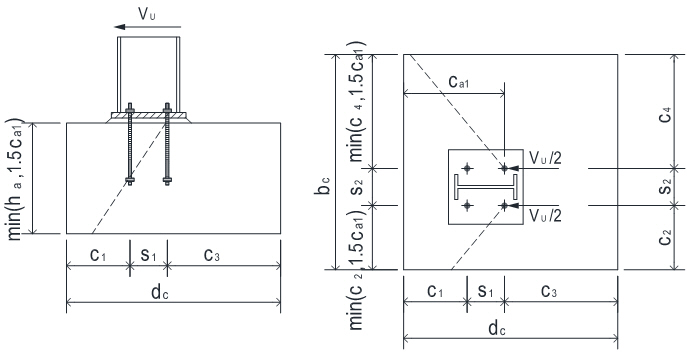
Mode 2 Shear taken evenly by back anchor bolts, strength check against 0.5 x Vu
Anchor edge distance
ca1
= min( c2 , c4 )
= 9.500
[in]
Limiting ca1 when anchors are influenced by 3 or more edges
= No
ACI 318-19 17.7.2.1.2
Anchor edge distance - adjusted
ca1
= ca1 needs NOT to be adjusted
= 9.500
[in]
c1
= 19.125
[in]
c3
= 10.321
[in]
s1
= 14.500
[in]
1.5ca1
= 14.250
[in]
AVc1
= [min(s1+c1 ,1.5ca1 )+ min(c3 ,
= 350.14
[in2]
ACI 318-19
Fig. R17.7.2.1b
1.5ca1)]x min(1.5ca1 , ha )
Projected area of single anchor failure surface
AVco
= 4.5 c2a1
= 406.13
[in2]
ACI 318-19 17.7.2.1.3
No of front anchors resisting shear
nbd
=
= 2
Projected area of anchor group failure surface
AVc
= min( AVc1 , nbd AVco )
= 350.14
[in2]
ACI 318-19 17.7.2.1.1
Anchor embedment & diameter
hef
= 60.000
[in]
da
= 2.000
[in]
Load-bearing length of anchor for shear
le
= min( 8da , hef )
= 16.000
[in]
ACI 318-19 17.7.2.2.1
Anchor edge distance & diameter
ca1
= 9.500
[in]
da
= 2.000
[in]
Conc strength & lightweight factor
fc
= 4.0
[ksi]
λ
= 1.0
Vb1
= 7(
le/da
)
0.2√da λ √fc c
1.5a1 = 27.79
[kips]
ACI 318-19 17.7.2.2.1a
Vb2
= 9 λ √fc c1.5a1
= 16.67
[kips]
ACI 318-19 17.7.2.2.1b
Single anchor shear breakout strength
Vb
= min( Vb1 , Vb2 )
= 16.67
[kips]
ACI 318-19 17.7.2.2.1
Eccentricity modification factor
Ψec,V
= shear acts through center of group
= 1.00
ACI 318-19 17.7.2.3.1
Edge modification factor
Ψed,V
= 1.0 for shear parallel to an edge case
= 1.000
ACI 318-19
Fig. R17.7.2.1b Case 2
Conc cracking modification factor
Ψc,V
=
= 1.20
ACI 318-19 17.7.2.5.1
Anchor edge distance & conc thickness
ca1
= 9.500
[in]
ha
= 216.000
[in]
Conc breakout thickness factor
Ψh,V
= 1.00
ACI 318-19 17.7.2.6.1
For
Mode 2 V
cbg-p1 is supposed to check against 0.5V
u , in terms of utilization ratio
0.5Vu/Vcbg-p1
=
Vu/2Vcbg-p1
Strength reduction factor
φvc
= 0.75
supplementary reinft present
ACI 318-19 17.5.3(b)
Concrete breakout resistance
Vcbg-p2
= 2x
φvc AVc/AVco
Ψec,V Ψed,V Ψc,V Ψh,V V
b = 25.86
[kips]
ACI 318-19 17.7.2.1b
Mode 3 Shear taken evenly by front anchor bolts, strength check against 0.5 x Vu
Anchor edge distance
ca1
= min( c2 , c4 )
= 9.500
[in]
Limiting ca1 when anchors are influenced by 3 or more edges
= No
ACI 318-19 17.7.2.1.2
Anchor edge distance - adjusted
ca1
= ca1 needs NOT to be adjusted
= 9.500
[in]
c1
= 19.125
[in]
c3
= 10.321
[in]
s1
= 14.500
[in]
1.5ca1
= 14.250
[in]
AVc1
= [min(c1 ,1.5ca1 )+ min(s1+c3 ,
= 406.13
[in2]
ACI 318-19
Fig. R17.7.2.1b
1.5ca1)] x min(1.5ca1 , ha )
Projected area of single anchor failure surface
AVco
= 4.5 c2a1
= 406.13
[in2]
ACI 318-19 17.7.2.1.3
No of front anchors resisting shear
nbd
=
= 2
Projected area of anchor group failure surface
AVc
= min( AVc1 , nbd AVco )
= 406.13
[in2]
ACI 318-19 17.7.2.1.1
Anchor embedment & diameter
hef
= 60.000
[in]
da
= 2.000
[in]
Load-bearing length of anchor for shear
le
= min( 8da , hef )
= 16.000
[in]
ACI 318-19 17.7.2.2.1
Anchor edge distance & diameter
ca1
= 9.500
[in]
da
= 2.000
[in]
Conc strength & lightweight factor
fc
= 4.0
[ksi]
λ
= 1.0
Vb1
= 7(
le/da
)
0.2√da λ √fc c
1.5a1 = 27.79
[kips]
ACI 318-19 17.7.2.2.1a
Vb2
= 9 λ √fc c1.5a1
= 16.67
[kips]
ACI 318-19 17.7.2.2.1b
Single anchor shear breakout strength
Vb
= min( Vb1 , Vb2 )
= 16.67
[kips]
ACI 318-19 17.7.2.2.1
Eccentricity modification factor
Ψec,V
= shear acts through center of group
= 1.00
ACI 318-19 17.7.2.3.1
Edge modification factor
Ψed,V
= 1.0 for shear parallel to an edge case
= 1.000
ACI 318-19
Fig. R17.7.2.1b Case 2
Conc cracking modification factor
Ψc,V
=
= 1.20
ACI 318-19 17.7.2.5.1
Anchor edge distance & conc thickness
ca1
= 9.500
[in]
ha
= 216.000
[in]
Conc breakout thickness factor
Ψh,V
= 1.00
ACI 318-19 17.7.2.6.1
For
Mode 3 V
cbg-p1 is supposed to check against 0.5V
u , in terms of utilization ratio
0.5Vu/Vcbg-p1
=
Vu/2Vcbg-p1
Strength reduction factor
φvc
= 0.75
supplementary reinft present
ACI 318-19 17.5.3(b)
Concrete breakout resistance
Vcbg-p3
= 2x
φvc AVc/AVco
Ψec,V Ψed,V Ψc,V Ψh,V V
b = 30.00
[kips]
ACI 318-19 17.7.2.1b
Shear force in demand
Vu
= from user input
= 1.50
[kips]
Min shear breakout resistance - parallel to edge
φvc Vcbg-p
= min(Vcbg-p1 , Vcbg-p2 , Vcbg-p3 ) x2 side
= 51.73
[kips]
ratio
= 0.03
> Vu
OK