Civil
Bay
Home
>
Steel
> Crane Runway Beam Design - AISC LRFD 2010 and ASD 2010
Menu
Save Input
Load Input
Turn Side Menu Off
Turn Suggestion Off
Check License Status
About This Calc
View Help
ToolTip :
On
Off
Login
New Version
Try out new version at
Crane runway beam / monorail design to AISC 360-16
CRANE RUNWAY BEAM DESIGN
- AISC LRFD 2010 and ASD 2010
Result Summary
Overall
ratio
=
0.83
OK
Design Code Reference
Crane runway beam design based on
Code Abbreviation
CISC Guide for the Design of Crane-Supporting Steel Structures 2nd Edition
CISC Crane Guide
AISC Design Guide 7: Industrial Buildings-Roofs to Anchor Rods 2nd Edition
AISC Design Guide 7
CMAA 70-04 Specifications for Top Running Bridge and Gantry Type Multiple Girder Electric Overhead Traveling Cranes
CMAA 70-04
Crane Data
Select design code
=
LRFD/ASD-2010 Only
ASD-1989 Only
LRFD/ASD-2010 and ASD-1989
No of crane in the same aisle
=
1
2
No of wheel on one side of bridge
=
2
4
Crane rated capacity
W
rc
=
[US Ton]
=
40.0
[kips]
Bridge weight
W
br
=
[kips]
29.6 kips
=
25945
[kg]
Trolley + hoist weight
W
th
=
[kips]
3.6 kips
=
4808
[kg]
Bridge wheel spacing
d
1
=
[ ft ]
Max.
static
wheel load by vendor
P
max-v
=
[kips]
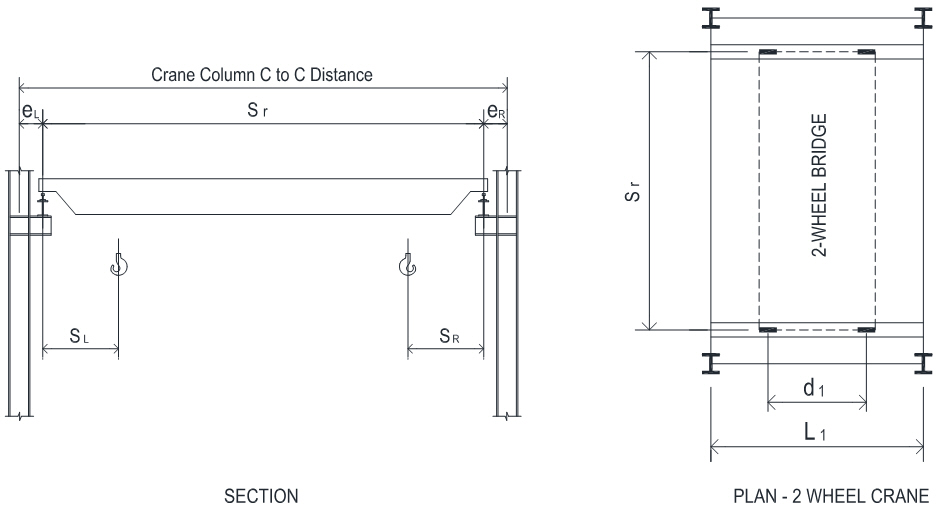
Crane bridge span
S
r
=
[ ft ]
Min. hook approach
left S
L
=
[ ft ]
3.1 ft
right S
R
=
[ ft ]
3.1 ft
Runway CL to col CL distance
left e
L
=
[ ft ]
1.6 ft
right e
R
=
[ ft ]
1.6 ft
Crane runway beam span - ver
L
1-ver
=
[ ft ]
beam span in ver direction, normally it's equal to building column spacing when there is no ver brace under runway beam
Crane runway beam span - hor
L
1-hor
=
[ ft ]
beam span in hor direction, normally L
hor
< L
ver
due to hor brace applying to side of runway beam close to top flange
Crane column CL to CL distance
S
r
+ 2e
=
[ ft ]
Runway Beam
Runway beam section type
=
***************** W Shape *****************
W Shape
W Shape With Cap Channel - AISC Table 1-19 Sect
W Shape With Cap Channel - Any W & C Sect Comb
W Shape With Cap Plate
***************** S Shape *****************
S Shape
S Shape With Cap Channel - AISC Table 1-20 Sect
S Shape With Cap Channel - Any S & C Sect Comb
S Shape With Cap Plate
*************** Custom Shape ***************
Custom Wide Flange
Custom Wide Flange With Cap Channel
W and C comb section size
=
W12x26 C10x15.3
W12x26 C12x20.7
W14x30 C10x15.3
W14x30 C12x20.7
W16x36 C12x20.7
W16x36 C15x33.9
W18x50 C12x20.7
W18x50 C15x33.9
W21x62 C12x20.7
W21x62 C15x33.9
W21x68 C15x33.9
W21x68 C12x20.7
W24x68 C15x33.9
W24x68 C12x20.7
W24x84 C12x20.7
W24x84 C15x33.9
W27x84 C15x33.9
W27x94 C15x33.9
W30x99 C15x33.9
W30x99 MC18x42.7
W30x116 C15x33.9
W30x116 MC18x42.7
W33x118 C15x33.9
W33x118 MC18x42.7
W33x141 C15x33.9
W33x141 MC18x42.7
W36x150 C15x33.9
W36x150 MC18x42.7
W27x84 + C15x33.9
Weight : 117.9 lb/ft
bf-w =10.000
d-w =26.700
tw-w =0.460
tf-w =0.640
bf-c =3.400
d-c =15.000
tw-c =0.400
tf-c =0.650
d-wc =27.100
All section dimensions are in inches
Crane running type
=
Top Running
Underhung
Crane rail size
=
ASCE 20
ASCE 25
ASCE 30
ASCE 35
ASCE 40
ASCE 45
A45
ASCE 50
ASCE 55
ASCE 60
A55
ASCE 65
ASCE 70
ASCE 75
ASCE 80
ASCE 85
A65
ASCE 90
ASCE 100
UIC 50
CRANE 104
CRANE 105
UIC 54
A75
AREA 115
UIC 60
AREA 132
CRANE 135
AREA 136
A100
CRANE 171
CRANE 175
A120
A150
U
cr
=
60
[lbs/yd]
=
0.020
[kip/ft]
Rail base width
B
w
=
4.250
[in]
Rail height H
t
=
4.250
[in]
W section yield strength
f
wy
=
[ksi]
Cap channel or plate yield strength
f
cy
=
[ksi]
CMAA crane service class
=
Class A
Class B
Class C
Class D
Class E
Class F
moderate service
Vertical load impact factor
=
0%
5%
10%
15%
20%
25%
Crane side thrust load option
=
Option 1
Option 2
Option 3
Option 4
Option 5
Crane side thrust load can be calculated using one of the following 4 options
Option 1
Hs
=
0.2 (Lifted Load+ Trolley/Hoist Wt)
Option 2
Hs
=
max of
0.2 (Lifted Load+ Trolley/Hoist Wt)
0.1 (Lifted Load+ Entire Crane Wt)
Option 3
Hs
=
max of
0.2 (Lifted Load+ Trolley/Hoist Wt)
0.1 (Lifted Load+ Entire Crane Wt)
0.4 Lifted Load
Option 4
Hs
=
1.0 x Lifted Load as side thrust
Option 5
Hs
=
2.0 x Lifted Load as side thrust
Conclusion
Crane Load Calculation
View Detail Calc
Crane Runway Beam Design - LRFD 2010 and ASD 2010
LRFD-10
ASD-10
Overall
ratio
=
0.83
OK
ratio
=
0.83
OK
View Detail Calc
Local buckling
OK
Bending about the X-X axis
ratio
=
0.47
OK
ratio
=
0.52
OK
Bending about the Y-Y axis in the top flange - top running crane
ratio
=
0.13
OK
ratio
=
0.13
OK
Biaxial bending in the top flange
ratio
=
0.60
OK
ratio
=
0.64
OK
Shear along Y-Y Axis
ratio
=
0.24
OK
ratio
=
0.26
OK
Web sidesway buckling
ratio
=
0.60
OK
ratio
=
0.61
OK
Runway beam vertical deflection
ratio
=
0.83
OK
Runway beam lateral deflection
ratio
=
0.41
OK
Save My Inputs
Please key in your file name below.
File Name:
.txt
Load My Inputs
About This Spreadsheet
This spreadsheet is for designing overhead bridge crane crane load and crane runway beam as per AISC LRFD 2010, ASD 2010 and ASD 1989 code
The spreadsheet is capable to design up to 2 cranes running in the same aisle at the same time.
For crane runway beam section, the user has option of
AISC W or S section
AISC W or S section combined with cap plate
AISC W or S section combined with cap channel
Any custom W or W and C combined section
The custom section option gives user great flexibility to select the crane runway beam section and optimize the design.
The spreadsheet also outputs the crane loads imposed on building column for user to relay to other structural analysis software for building structural analysis
The spreadsheet can design both top running and underhung overhead bridge crane runway beam
No license Issued for This Spreadsheet
You are a registered user but you didn't get a license for this spreadsheet. The reason may be
Your license has expired
You own license for other module but don't have license for this module
Your license has been checked out by other user on other PC
You are now using the spreadsheet on demo mode. You can click on this link
Buy Now
to puchase a license.
Trial Version Limitation
This field cannot be edited by trial version user.
To get all the features of this spreadsheet, you can go to this link
Buy Now
to puchase a license.
ToolTip
On
Off
Menu
Save Input
Load Input
View Result Summary
View Conclusion
Turn ToolTip Off
Turn Suggestion Off
Turn Side Menu Off
Check License Status
About This Calc
View Help
No of Crane In The Same Aisle
The program is capable to design up to 2 cranes running in the same aisle at the same time.
User can choose the no of crane in one aisle here.
Crane Rated Capacity
The unit for this input is
US Ton
!
1
US Ton
= 2000 pounds = 2.000 kips
1
Metric Ton
= 2204 pounds = 2.204 kips
1
Metric Ton
= 1.102
US Ton
If the crane capacity is in
Metric Ton
, multiply 1.102 to convert it to
US Ton
for input here.
If it's Underhung crane, the max. crane rated capacity is normally limited to 10 US Ton.
Bridge Crane Wheel Spacing d
1
d
1
is the bridge crane wheel spacing as shown below.
Bridge Crane Wheel Spacing d
2
d
2
is the bridge crane wheel spacing as shown below.
Bridge Crane Wheel Spacing d
3
d
3
is the bridge crane wheel spacing as shown below.
Crane Bridge Span S
r
Crane bridge span S
r
as shown below.
Min. Hook Approach - Left Side
Min. hook approach - left side S
L
Min. Hook Approach - Right Side
Min. hook approach - right side S
R
Runway Center Line to Column Center Line
Distance - Left Side
e
L
- runway center line to column center line distance - left side
Runway Center Line to Column Center Line
Distance - Right Side
e
L
- runway center line to column center line distance - right side
Crane Column Center to Center Distance
Crane column center to center distance or building span
The program will calculate this field from user's other imputs as
Crane column c to c distance = S
r
+ e
L
+ e
R
Runway Beam Section Type
W Shape With Cap Channel - AISC Table 1-19 Sect
Sections are only limited to sections listed in AISC Steel Construction Manual Table 1-19 .
W Shape With Cap Channel - Any W & C Sect Comb
Sections can be combinations of any W shape and C channel user selects from the list.
Runway Beam Custom Section Preliminary Check
This section check is only applicable when custom section is chosen.
The crane runway beam section shall be set in such a way that the top flange is wider and thicker than the bottom flange, but when doing this, users shall avoid the case like A
2
+ A
3
< A
1
, where
A
1
= top flange area
when there is cap channel, A
1
= top flange area + channel section area
A
2
= bottom flange area A
3
= web area
When A
2
+ A
3
< A
1
, the plastic neutral axis moves to top flange range and it's not recommended by the program.
The program will flag
NG
in this check when A
2
+ A
3
< A
1
.
User can increase the bottom flange and web thickness to pass this section check.
CMAA Crane Service Class
CMAA 70-04 Specifications for Top Running Bridge and Gantry Type Multiple Girder Electric Overhead Traveling Cranes
Page 10~11
Class A Standby or infrequent service
Class B Light service
Class C Moderate service
Class D Heavy service
Class E Severe service
Class F Continuous severe service
Most cranes are under Class C category.
The crane service class will impact the serviceability criteria in crane design.
AISC Design Guide 7: Industrial Buildings-Roofs to Anchor Rods 2nd Ed
Page 56
Vertical deflection of crane beam due to wheel load (no impact)
CMAA 70 Classes A, B, C L/600
CMAA 70 Classes D L/800
CMAA 70 Classes E, F L/1000
Crane Type
Select
Top Running
or
Underhung
crane type here.
If
Underhung
type of crane is selected, the crane runway beam bottom flange local bending will be checked.
Suggest Values for User Input
Suggest values for user's input in
magenta
color.
User can use these suggest values as a reference for input
when crane vendor data is not available.
User can turn the diaplay of these suggest values on/off using the menu above or mouse right click pop up menu.