Civil
Bay
Home
>
Steel
> Base Plate Design - US Section
Menu
Save Input
Load Input
Turn Side Menu Off
Turn Suggestion Off
Check License Status
About This Calc
View Help
ToolTip :
On
Off
Login
BASE PLATE DESIGN
Result Summary
Overall
ratio
=
0.74
OK
Design Code Reference
Base plate design based on
Code Abbreviation
AISC Design Guide 1: Base Plate and Anchor Rod Design 2nd Edition
AISC Design Guide 1
ACI 318-11 Building Code Requirements for Structural Concrete and Commentary
ACI 318-11
Code Reference
Base Plate Data
Column section type
=
***** W Shape *****
W4 =< W <= W12
W14 =< W <= W24
W27 =< W <= W33
W36 =< W <= W44
**** HSS Shape *****
HSS Square
HSS Rectangle
HSS Circular
Pipe
******************
HP Shape
Column section size
=
W4X13
W5X16
W5X19
W6X8.5
W6X9
W6X12
W6X15
W6X16
W6X20
W6X25
W8X10
W8X13
W8X15
W8X18
W8X21
W8X24
W8X28
W8X31
W8X35
W8X40
W8X48
W8X58
W8X67
W10X12
W10X15
W10X17
W10X19
W10X22
W10X26
W10X30
W10X33
W10X39
W10X45
W10X49
W10X54
W10X60
W10X68
W10X77
W10X88
W10X100
W10X112
W12X14
W12X16
W12X19
W12X22
W12X26
W12X30
W12X35
W12X40
W12X45
W12X50
W12X53
W12X58
W12X65
W12X72
W12X79
W12X87
W12X96
W12X106
W12X120
W12X136
W12X152
W12X170
W12X190
W12X210
W12X230
W12X252
W12X279
W12X305
W12X336
Column section properties
d
=
12.100
[in]
t
f
=
0.605
[in]
b
f
=
12.000
[in]
t
w
=
0.390
[in]
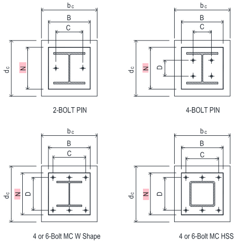
Base plate anchor bolt pattern
=
2-Bolt Pin
4-Bolt Pin
4 or 6-Bolt MC W Shape
4 or 6-Bolt MC HSS
Base plate anchor bolt pattern
=
Bolt Outside Flange Only
Bolt Inside Flange Only
Bolt Both Outside and Inside Flange
Base plate width
B
=
[in]
20.00 in
Base plate depth
N
=
[in]
20.00 in
Base plate thickness
t
p
=
[in]
1.75 in
Anchor bolt spacing C
C
=
[in]
16.00 in
Anchor bolt spacing D
D
=
[in]
16.00 in
Concrete pedestal width
b
c
=
[in]
Concrete pedestal depth
d
c
=
[in]
Anchor bolt material
=
F1554 Grade 36
F1554 Grade 55
F1554 Grade 105
A307 Grade A
A307 Grade C
A36
A193 Grade B7 dia <=2.5
A193 Grade B7 dia >2.5
A320 Grade L7 dia <=2.5
A320 Grade L43 dia >2.5
A354 Grade BC
A354 Grade BD dia <=2.5
A354 Grade BD dia >2.5
A449 1/4< dia <=1
A449 1< dia <=1.5
A449 1.5< dia <=3
Stainless Steel 304 or 316
Stainless Steel 304L or 316L
Hastelloy C-276
Anchor tensile strength
f
uta
=
58.0
[ksi]
Anchor bolt diameter
d
a
=
1/4
3/8
1/2
5/8
3/4
7/8
1
1 1/8
1 1/4
1 3/8
1 1/2
1 3/4
2
2 1/4
2 1/2
2 3/4
3
4
[in]
max dia=1.50 in
Anchor effective cross section area
A
se
=
0.969
[in
2
]
Anchor bolt 1/8" (3mm) corrosion allowance
=
Yes
No
Total no of anchor bolt in base plate
n
=
No of bolt along outermost bolt line
n
t
=
Concrete strength
f
c
'
=
[ksi]
Base plate yield strength
F
y
=
[ksi]
Factored
column load
Load Cases
P
u
or T
u
[kips]
M
u
[kip-ft]
LC1
Axial Compression
P
u
=
LC2
Axial Compression +
Moment
P
u
=
M
u
=
LC3
Axial Compression +
Moment
P
u
=
M
u
=
LC4
Axial Tensile
T
u
=
Suggested plate thickness for rigidity:
t
p
= max. of m/4 and n/4
=
Yes
No
Strength reduction factors
ACI 318-11
Bearing on concrete
f
c
=
0.65
9.3.2.4
Base plate bending
f
b
=
0.90
CONCLUSION
Overall
ratio
=
0.74
OK
LC1: Axial Compression
Suggested Min Plate Thickness for Rigidity
ratio
=
0.74
OK
Pedestal Concrete Base Bearing Strength
ratio
=
0.06
OK
Base Plate Required Min Plan Size B x N
ratio
=
0.00
OK
Base Plate Required Min Thickness
ratio
=
0.37
OK
LC2: Axial Compression + Moment
Base Plate B x N or Anchor Bolt C x D Dimension Check
ratio
=
0.00
OK
Base Plate Required Min Thickness
ratio
=
0.70
OK
LC3: Axial Compression + Moment
Base Plate B x N or Anchor Bolt C x D Dimension Check
ratio
=
0.00
OK
Base Plate Required Min Thickness
ratio
=
0.43
OK
LC4: Axial Tension
Anchor Rod Tensile Resistance
ratio
=
0.15
OK
Base Plate B x N or Anchor Bolt C x D Dimension Check
ratio
=
0.00
OK
Base Plate Required Min Thickness - Bending to Flange/Web
ratio
=
0.35
OK
CACULATION
AISC Design Guide 1
W Shape
m
=
( N - 0.95 d ) / 2
=
4.253
[in]
3.1.2 on Page 15
n
=
( B - 0.8 b
f
) / 2
=
5.200
[in]
Suggested min. plate thickness for rigidity: t
p
= max. of m/4 and n/4
=
1.300
[in]
ratio
=
0.74
<
t
p
OK
LC1: Axial Compression
Concrete Base Bearing Strength
Factored compression force
P
u
=
=
100.00
[kips]
Base plate area
A
1
=
B x N
=
400.00
[in
2
]
Pedestal area
A
2
=
b
c
x d
c
=
900.00
[in
2
]
ACI 318-11
k
=
min [ sqrt(A
2
/A
1
), 2 ]
=
1.500
10.14.1
f
c
P
n
=
f
c
0.85 f
c
' A
1
k
=
1723.80
[kips]
10.14.1
ratio
=
0.06
>
P
u
OK
Base Plate Required Thickness
AISC Design Guide 1
X
=
=
0.058
3.1.2 on Page 16
l
=
=
0.244
l
n'
=
l
sqrt( d x b
f
) / 4
=
0.736
[in]
L
=
max (m, n,
l
n' )
=
5.200
[in]
3.1.2 on Page 15
Base plate required thickness
t
min
=
=
0.646
[in]
Base plate plan size B x N is adequate.
ratio
=
0.37
<
t
p
OK
LC2: Axial Compression + Moment
P
u
=
75.00
[kips]
M
u
=
50.00
[kip-ft]
e
=
M
u
/ P
u
=
8.00
[in]
f
p(max)
=
f
c
0.85 f
c
' k
=
4.31
[ksi]
q
max
=
f
p(max)
x B
=
86.19
[kips/in]
e
crit
=
N/2 - P
u
/ (2q
max
)
=
9.56
[in]
e
<
e
crit
small moment case applied
Small Moment Case
Bearing length
Y
=
N - 2e
=
4.000
[in]
Verify linear bearing pressure
q
=
P
u
/ Y
=
18.75
[kips/in]
<
q
max
OK
f
p
=
P
u
/ BY
=
0.94
[ksi]
m
=
max(m , n)
=
5.200
[in]
AISC Design Guide 1
Y < m
t
min
=
=
1.218
[in]
Eq. 3.3.15a-1
Base plate plan size B x N is adequate.
ratio
=
0.70
<
t
p
OK
LC3: Axial Compression + Moment
P
u
=
45.00
[kips]
M
u
=
25.00
[kip-ft]
e
=
M
u
/ P
u
=
6.67
[in]
f
p(max)
=
f
c
0.85 f
c
' k
=
4.31
[ksi]
q
max
=
f
p(max)
x B
=
86.19
[kips/in]
e
crit
=
N/2 - P
u
/ (2q
max
)
=
9.74
[in]
e
<
e
crit
small moment case applied
Small Moment Case
Bearing length
Y
=
N - 2e
=
6.667
[in]
Verify linear bearing pressure
q
=
P
u
/ Y
=
6.75
[kips/in]
<
q
max
OK
f
p
=
P
u
/ BY
=
0.34
[ksi]
m
=
max(m , n)
=
5.200
[in]
AISC Design Guide 1
Y >= m
t
min
=
1.49 m sqrt( f
p
/ F
y
)
=
0.750
[in]
Eq. 3.3.14a-1
Base plate plan size B x N is adequate.
ratio
=
0.43
<
t
p
OK
LC4: Axial Tension
Factored tensile force
T
u
=
=
25.00
[kips]
Anchor Rod Tensile Resistance
ACI 318-11
Anchor rod tensile resistance
T
r
=
f
t,s
n A
se
f
uta
=
168.61
[kips]
D.5.1.2 (D-2)
f
t,s
=
0.75 for ductile steel element
D.4.3 (a)
ratio
=
0.15
>
T
u
OK
Bolt pattern
Bolt Both Outside and Inside Flange
Total No of anchor bolt
n
=
=
4.0
Bolt to column center distance
f
=
=
8.00
[in]
Bolt to column web center distance
f
1
=
=
8.00
[in]
Factored tensile force in
single
bolt
T
b
=
T
u
/ n
=
6.25
[kips]
Bending to Column Flange
AISC Design Guide 1
Moment lever arm
a
=
f - 0.5 d + 0.5 t
f
=
2.25
[in]
Eq 3.4.6 on Page 26
Moment to column flange
M
u
=
T
b
x a
=
1.17
[kip-ft]
Effective plate width
b
eff
=
2 x a
=
4.51
[in]
Sect 3.2 3 on Page 18
Base plate required thickness
t
p1
=
=
0.621
[in]
Eq 3.3.13a on Page 25
Bending to Column Web
AISC Design Guide 1
Moment lever arm
a
=
f
1
- 0.5 t
w
=
7.81
[in]
Example 4.5 on Page 34
Moment to column web
M
u
=
T
b
x a
=
4.07
[kip-ft]
Effective plate width
b
eff
=
2 x a
=
15.61
[in]
Example 4.5 on Page 35
Base plate required thickness
t
p2
=
=
0.621
[in]
Example 4.5 on Page 35
t
min
=
max ( t
p1
, t
p2
)
=
0.621
[in]
Base plate plan size B x N is adequate.
ratio
=
0.35
<
t
p
OK
Suggest Values for User Input
Suggest values for user's input in
magenta
color.
These suggest values are extracted from many projects' steel base plate standard drawings as such they are highly recommended by the author.
User can turn the diaplay of these suggest values on/off using the menu above or mouse right click pop up menu.
Base Plate Anchor Bolt Pattern
Select base plate anchor bolt pattern as shown below.
If user designs
PIN
type base plate connection, select
2-Bolt Pin
or
4-Bolt Pin
Base Plate Anchor Bolt Location
This input is used for the design of base plate subject to tensile force.
When
Bolt Inside Flange Only
is selected, base plate bending to column web is checked.
When
Bolt Outside Flange Only
is selected, base plate bending to column flange is checked.
When
Bolt Both Outside and Inside Flange
is selected, base plate bending to both column flange and web is checked
Base Plate Width B
Base plate width B
Base Plate Depth N
Base plate depth N
Anchor Bolt Spacing C
Anchor bolt spacing C
Anchor Bolt Spacing D
Anchor bolt spacing D
Concrete Pedestal Width b
c
Concrete pedestal width b
c
Concrete Pedestal depth d
c
Concrete pedestal depth d
c
Anchor Rod Corrosion Allowance
Anchor rod may have corrosion issue if it is exposed to exterior or extreme environmental conditions.
If Yes is selected, anchor rod effective area A
se
will be reduced by taking 1/8" (3mm) off from anchor rod diameter
Min Plate Thickness for Rigidity
This input is used to ensure min. plate thickness for rigidity as the concrete bearing pressure is assumed to be linear in the design.
If
Yes
is selected, the min. plate thickness will be the max. of m/4 and n/4 ( m and n are plate overhangs in two directions )
Factored Column Compression Force
Input the
factored
column compression force here.
The compression force is input as
positive
number.
Input 0 if there is no compression force case.
Factored Column Tensile Force
Input the
factored
column tensile force here.
The tensile force is input as
positive
number.
Input 0 if there is no tensile force case.
Factored Column Moment
Input the
factored
column moment here.
The moment shall be input as
positive
number.
Total no of Anchor Bolt in Base Plate
n
= total no of anchor bolt in base plate.
The program uses
n
to calculate the anchor rod tensile resistance as T
r
=
f
t,s
n
A
se
f
uta
in LC4 pure axial tensile case.
The anchor rod tensile resistance T
r
shall be larger than the factored tensile load T
u
in LC4.
Save My Inputs
Please key in your file name below.
File Name:
.txt
Load My Inputs
About This Spreadsheet
This spreadsheet is to design
PIN or MC
type base plate based on AISC Design Guide 1: Base Plate and Anchor Rod Design 2nd Edition
The spreadsheet is in US imperial unit
The steel section is US AISC section
No license Issued for This Spreadsheet
You are a registered user but you didn't get a license for this spreadsheet. The reason may be
Your license has expired
You own license for other module but don't have license for this module
Your license has been checked out by other user on other PC
You are now using the spreadsheet on demo mode. You can click on this link
Buy Now
to puchase a license.
Trial Version Limitation
This field cannot be edited by trial version user.
To get all the features of this spreadsheet, you can go to this link
Buy Now
to puchase a license.
ToolTip
On
Off
Menu
Save Input
Load Input
View Result Summary
View Conclusion
Turn ToolTip Off
Turn Suggestion Off
Turn Side Menu Off
Check License Status
About This Calc
View Help