Civil
Bay
Home
>
Concrete
>
Concrete Anchorage
> MC Base Plate and Anchor Bolt Design - CSA A23.3-14 Not Using Anchor Reinft
Menu
Save Input
Load Input
Turn Side Menu Off
Turn Suggestion Off
Check License Status
About This Calc
View Help
ToolTip :
On
Off
Login
MC BASE PLATE AND ANCHOR BOLT DESIGN
Result Summary
Base Plate Design
ratio
=
0.74
OK
Anchor Bolt Design
Anchor Rod Embedment, Spacing and Edge Distance
OK
Overall
ratio
=
0.97
OK
Seismic Design
Tension
=
OK
Shear
=
OK
Design Code Reference
Anchor bolt and base plate design based on
Code Abbreviation
CSA A23.3-14 Design of Concrete Structures Appendix D
CSA A23.3-14
PIP STE05121 Anchor Bolt Design Guide-2006
PIP STE05121
AISC Design Guide 1: Base Plate and Anchor Rod Design 2nd Edition
AISC Design Guide 1
Column Load Data
Load Cases
P
u
or T
u
[kN]
V
u
[kN]
M
u
[kN-m]
LC1
Factored
Axial Compression
P
u
=
V
u
=
LC2
Factored
Axial Compression +
Moment
P
u
=
V
u
=
M
u
=
LC3
Factored
Axial Compression +
Moment
P
u
=
V
u
=
M
u
=
LC4
Factored
Axial Tensile
T
u
=
V
u
=
Base Plate & Anchor Bolt Data
Column section type
=
***** W Shape *****
W100 =< W <= W310
W360 =< W <= W610
W690 =< W <= W840
W920 =< W <= W1100
**** HSS CSA G40.20 *****
HSS Square
HSS Rectangle
HSS Circular
**** HSS ASTM A500 *****
HSS Square
HSS Rectangle
HSS Circular
Column section size
=
W100x19
W130x24
W130x28
W150x13
W150x14
W150x18
W150x22
W150x24
W150x30
W150x37
W200x15
W200x19
W200x21
W200x22
W200x27
W200x31
W200x36
W200x42
W200x46
W200x52
W200x59
W200x71
W200x86
W200x100
W250x18
W250x22
W250x24
W250x25
W250x28
W250x33
W250x39
W250x45
W250x49
W250x58
W250x67
W250x73
W250x80
W250x89
W250x101
W250x115
W250x131
W250x149
W250x167
W310x21
W310x24
W310x28
W310x31
W310x33
W310x39
W310x45
W310x52
W310x60
W310x67
W310x74
W310x79
W310x86
W310x97
W310x107
W310x118
W310x129
W310x143
W310x158
W310x179
W310x202
W310x226
W310x253
W310x283
W310x313
W310x342
W310x375
W310x415
W310x454
W310x500
Column section properties
d
=
308.0
[mm]
t
f
=
15.4
[mm]
b
f
=
305.0
[mm]
t
w
=
9.9
[mm]
Base plate width
B
=
[mm]
510 mm
Base plate depth
N
=
[mm]
510 mm
Base plate thickness
t
p
=
[mm]
45 mm
Suggested plate thickness for rigidity:
t
p
= max. of m/4 and n/4
=
Yes
No
No of bolt line for resisting moment
=
2 Bolt Line
3 Bolt Line
4 Bolt Line
No of bolt along outermost bolt line
=
No of bolt along side edge
n
bd
=
PIP STE05121
Outermost bolt line spacing s
1
s
1
=
[mm]
410 mm
Page A -1 Table 1
Outermost bolt line spacing s
2
s
2
=
[mm]
410 mm
PIP STE05121
Anchor bolt edge distance c
1
c
1
=
[mm]
152 mm
OK
Page A -1 Table 1
Anchor bolt edge distance c
2
c
2
=
[mm]
152 mm
OK
Anchor bolt edge distance c
3
c
3
=
[mm]
152 mm
OK
Anchor bolt edge distance c
4
c
4
=
[mm]
152 mm
OK
Anchor bolt material
=
F1554 Grade 36
F1554 Grade 55
F1554 Grade 105
A307 Grade A
A307 Grade C
A36
A193 Grade B7 dia <=2.5
A193 Grade B7 dia >2.5
A320 Grade L7 dia <=2.5
A320 Grade L43 dia >2.5
A354 Grade BC
A354 Grade BD dia <=2.5
A354 Grade BD dia >2.5
A449 1/4< dia <=1
A449 1< dia <=1.5
A449 1.5< dia <=3
Stainless Steel 304 or 316
Stainless Steel 304L or 316L
Hastelloy C-276
Anchor tensile strength
f
uta
=
399.9
[MPa]
Anchor bolt diameter
d
a
=
1/4
3/8
1/2
5/8
3/4
7/8
1
1 1/8
1 1/4
1 3/8
1 1/2
1 3/4
2
2 1/4
2 1/2
2 3/4
3
4
[mm]
max dia=1.50 in
Anchor bolt has sleeve
=
Yes
No
Anchor bolt head type
Square
Heavy Square
Hex
Heavy Hex
Hardened Washer SAE
Hardened Washer USS
Custom Head
Anchor effective cross section area
A
se
=
910
[mm
2
]
Anchor bolt head bearing area
A
brg
=
[mm
2
]
Anchor bolt embedment depth
h
ef
=
[mm]
CSA A23.3-14
c
i
≥ 1.5h
ef
for at least two edges to avoid reducing of h
ef
when N
u
> 0
OK
D.6.2.3
Anchor bolt adjusted h
ef
for design
h
ef
=
[mm]
457 mm
OK
D.6.2.3
Pedestal height
h
a
=
[mm]
534 mm
OK
For conc shear breakout check use
Number of anchor at bolt line 1
n
1
=
Number of anchor at bolt line 2
n
2
=
Total no of anchor bolt
n
=
No of anchor bolt carrying shear
n
s
=
No of anchor bolt along width edge
n
bw
=
Oversized holes in base plate ?
=
Yes
No
Concrete strength
f'
c
=
[MPa]
Error: the conc strength shall be 10~70 MPa
Base plate yield strength
F
y
=
[MPa]
Supplementary reinforcement
CSA A23.3-14
For tension
=
Yes
No
Condition A
D.5.3 c)
For shear
Y
c,v
=
1.0
1.2
1.4
Condition A
D.7.2.7
Concrete cracking
=
Cracked
Uncracked
D.6.2.6, D.6.3.6, D.7.2.7
Anchor bolt 1/8" (3mm) corrosion allowance
=
Yes
No
CSA A23.3-14
Provide built-up grout pad ?
=
Yes
No
D.7.1.3
Seismic design I
E
F
a
S
a
(0.2) ≥0.35
=
Yes
No
D.4.3.3
Anchor bolt load E <= 0.2U
Tensile
=
Yes
No
Shear
=
Yes
No
D.4.3.5.1 & D.4.3.6.1
Anchor bolt satisfies opion
Tensile
=
Option A
Option B
Option C
Option D
Shear
=
Option A
Option B
Option C
D.4.3.5.3 & D.4.3.6.3
CONCLUSION
LC 1
Base Plate Design
Anchor Bolt Design
Anchor bolt spacing and edge distance
OK
ratio=
0.74
OK
Overall
ratio=
0.39
OK
Seismic design
Tension=
OK
Shear=
OK
View Detail Calc
View Detail Calc
LC 2
Base Plate Design
Anchor Bolt Design
Anchor bolt spacing and edge distance
OK
ratio=
0.60
OK
Overall
ratio=
0.61
OK
Seismic design
Tension=
OK
Shear=
OK
View Detail Calc
View Detail Calc
LC 3
Base Plate Design
Anchor Bolt Design
Anchor bolt spacing and edge distance
OK
ratio=
0.31
OK
Overall
ratio=
0.77
OK
Seismic design
Tension=
OK
Shear=
OK
View Detail Calc
View Detail Calc
LC 4
Base Plate Design
Anchor Bolt Design
Anchor bolt spacing and edge distance
OK
ratio=
0.22
OK
Overall
ratio=
0.97
OK
Seismic design
Tension=
OK
Shear=
OK
View Detail Calc
View Detail Calc
Suggest Values for User Input
Suggest values for user's input in
magenta
color.
These suggest values are extracted from many projects' steel base plate standard drawings as such they are highly recommended by the author.
User can turn the diaplay of these suggest values on/off using the menu above or mouse right click pop up menu.
Base Plate Width B
Base plate width B
Base Plate Depth N
Base plate depth N
No of Bolt Line for Resisting Moment
Select No of bolt line for resisting moment as shown below.
No of Bolt Along Outermost Bolt Line
No of bolt along the outermost bolt line, perpendicular to the moment resisting direction as shown below.
The program needs this number to check single anchor bolt's tensile resistance for the mobilized anchor bolt tensile force caused by moment.
Anchor Rod Corrosion Allowance
Anchor rod may have corrosion issue if it is exposed to exterior or extreme environmental conditions.
If Yes is selected, anchor rod effective area A
se
will be reduced by taking 1/8" (3mm) off from anchor rod diameter
Min Plate Thickness for Rigidity
This input is used to ensure min. plate thickness for rigidity as the concrete bearing pressure is assumed to be linear in the design.
If
Yes
is selected, the min. plate thickness will be the max. of m/4 and n/4 ( m and n are plate overhangs in two directions )
Factored Column Compression Force
Input the
factored
column
compression
force here.
The compression force shall be input as
positive
number.
Input 0 if there is no compression force.
Factored Column Tensile Force
Input the
factored
column
tensile
force here.
The tensile force shall be input as
positive
number.
Input 0 if there is no tensile force.
Factored Column Moment
Input the
factored
column moment here.
The moment shall be input as
positive
number.
Input 0 if there is no moment force.
Factored Column Shear Force
Input the
factored
column shear force here.
The shear force shall be input as
positive
number.
Input 0 if there is no shear force.
Anchor Bolt Embedment Depth
h
ef
- anchor bolt embedment depth
Pedestal Height
h or h
a
- pedestal height or concrete thickness
Total no of Anchor Bolt in Base Plate
n
= total no of anchor bolt in base plate.
The program uses
n
to calculate the anchor rod tensile resistance as T
r
=
f
t,s
n
A
se
f
uta
in LC4 pure axial tensile case.
The anchor rod tensile resistance T
r
shall be larger than the factored tensile load T
u
in LC4.
No of Bolt Along Side Edge
This no of bolt will be used to check anchors concrete shear breakout strength with shear force parallel to an edge as per CSA A23.3-14
D.6.2.1 (c)
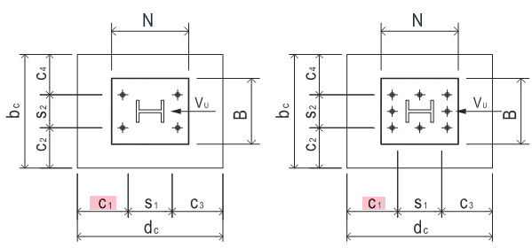
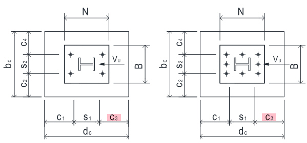
Outermost Bolt Line Spacing s
1
s
1
is the distance between two
outermost
columns of anchor bolt line , along shear force acting direction
Outermost Bolt Line Spacing s
2
s
2
is the distance between two
outermost
rows of anchor bolt line , perpendicular to shear force acting direction.
Internal Bolt Line Spacing s
b2
s
b2
is the internal bolt line spacing.
This input will be calculated by program from s
b2
= s
1
- 2 x s
b1
Internal Bolt Line Spacing s
b1
s
b1
is the internal bolt line spacing.
Ignore this input if it is
2 Bolt Line
case.
Anchor Bolt Edge Distance C
1
c
1
is the bolt group’s edge distance, in the
same
direction of shear force acting direction
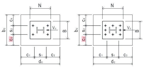
Anchor Bolt Edge Distance C
2
c
2
is the bolt group’s edge distance, perpendicular to the shear force acting direction, set c
2
=
min
(c
2
, c
4
)
Anchor Bolt Edge Distance C
3
c
3
is the bolt group’s edge distance, in the
opposite
direction of shear force acting direction
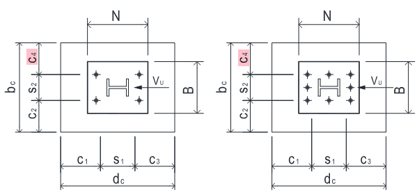
Anchor Bolt Edge Distance C
4
c
4
is the bolt group’s edge distance, perpendicular to the shear force acting direction, set c
4
=
max
(c
2
, c
4
)
Concrete Cracking
Concrete is cracked - anchors located in region of concrete where analysis indicates cracking at service load levels
Concrete is uncracked - anchors located in region of concrete where analysis indicates no cracking at service load levels
In CSA A23.3-14 Appendix D
D.6.2.6 concrete tensile breakout
uncracked
Y
c,N
= 1.25 cracked
Y
c,N
= 1.0
D.6.3.6 concrete tensile pullout
uncracked
Y
c,P
= 1.4 cracked
Y
c,P
= 1.0
D.7.2.7 concrete shear breakout
uncracked
Y
c,V
= 1.4 cracked
Y
c,V
= 1.0, 1.2 or 1.4 depending on supplementary reinforcement
The author suggests to select
Cracked
as concrete is cracked all the time.
Save My Inputs
Please key in your file name below.
File Name:
.txt
Load My Inputs
About This Spreadsheet
This spreadsheet is to design
MC base plate and anchor bolt
at the same time using one single input.
The anchor bolt is designed based on CSA A23.3-14 code without using anchor reinforcement.
User can check the following 4 load cases of column load at one time
LC1 axial compression and shear
LC2 axial compression, shear and moment
LC3 axial compression, shear and moment
LC4 axial tensile and shear
No license Issued for This Spreadsheet
You are a registered user but you didn't get a license for this spreadsheet. The reason may be
Your license has expired
You own license for other module but don't have license for this module
Your license has been checked out by other user on other PC
You are now using the spreadsheet on demo mode. You can click on this link
Buy Now
to puchase a license.
Trial Version Limitation
This field cannot be edited by trial version user.
To get all the features of this spreadsheet, you can go to this link
Buy Now
to puchase a license.
ToolTip
On
Off
Menu
Save Input
Load Input
View Result Summary
View Conclusion
Turn ToolTip Off
Turn Suggestion Off
Turn Side Menu Off
Check License Status
About This Calc
View Help